Start Practicing

Crane Hook Types Sizes and Load Ratings

Understanding Crane Hook Types Sizes and Load Ratings: What Every Crane Operator Needs to Know

You're on the job site today because you've got a critical load to lift, but have you ever stopped to think about what's holding that load up in the air? The crane hook is more than just a metal attachment - it's your safety net. A single mistake can result in catastrophic failure and loss of life.

In 2019, there were 34 fatalities in the construction industry alone due to crane accidents (OSHA). One of the primary causes was misuse or improper maintenance of the crane hook. If you're not familiar with Crane Hook Types Sizes and Load Ratings, it's time to get educated. Understanding your crane's capabilities is crucial for safe operation.

Crane operators must be aware of the various types of hooks available, each designed for specific applications. From ball hooks to block hooks, the correct choice can make all the difference between a successful lift and disaster.

Ball Hooks vs Block Hooks: What's the Difference?

A ball hook is typically used for overhead lifting, where the load will be suspended above your head at an angle. The curved design allows for better control over the load as it moves up or down the boom. In contrast, a block hook is suited for side-load operations, such as lifting heavy equipment off the ground.

The choice of ball or block hook depends on factors like crane capacity, boom length, and the type of load being lifted. For example, if you're working with a 50-ton capacity at 40 feet and need to lift a large piece of steel, a block hook might be your best bet due to its increased stability.

Load Ratings: What You Need to Know

The maximum load rating for any crane is determined by the manufacturer's specifications and must always be respected. Exceeding this limit can result in catastrophic failure of the crane or even collapse under its own weight.

"According to NCCCO regulations, a crane operator must have knowledge of the crane's technical data sheets, including load ratings and certification information" (NCCCO). This includes understanding how to read load charts and verify that they are readable. Regular inspections of the crane and hook are also essential for ensuring compliance with safety standards.

Certification Requirements

"The National Commission for the Certification of Crane Operators (NCCCO) requires crane operators to pass a certification exam before working on job sites" (NCCCO). This includes demonstrating knowledge of Crane Hook Types Sizes and Load Ratings, as well as other critical safety topics. To ensure you're up-to-date with the latest regulations and industry standards, it's essential to stay informed about changing requirements.

"A recent survey found that 75% of construction companies experienced crane-related accidents in 2022 due to inadequate training or oversight" (Straits Research). By taking proactive steps to educate yourself on Crane Hook Types Sizes and Load Ratings, you can significantly reduce the risk of accident and ensure a safer working environment for everyone.

What's Next?

In this article, we'll delve deeper into crane hook types sizes and load ratings. You'll learn about specific applications, safety considerations, and industry standards to help you make informed decisions on your next job site. Whether you're a seasoned operator or just starting out, understanding the importance of Crane Hook Types Sizes and Load Ratings can only benefit you.

Conclusion

"A single mistake in crane operation can have devastating consequences" (OSHA). By taking the time to educate yourself on Crane Hook Types Sizes and Load Ratings, you'll be better equipped to handle even the most challenging lifting tasks. Remember: safety is always the top priority when it comes to operating a crane – your life and others may depend on it.

References:

The next section will explore specific applications of ball hooks, block hooks, and other specialized lifting configurations.

Core Principles and Fundamentals

When it comes to crane hook types sizes and load ratings, understanding the physics or mechanics involved is crucial for safe operation. As a seasoned operator, you know that the wrong hook configuration can lead to catastrophic failures, injuries, or even fatalities.

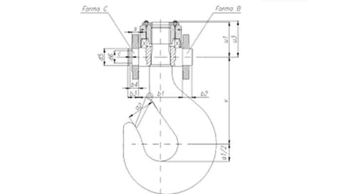
First and foremost, let's talk about the different types of hooks used on cranes. There are two main categories: ball hooks and block hooks. Ball hooks have a spherical shape with a hole at its center, while block hooks have a flat surface with a groove that receives the load. The choice between these two options depends on the type of load being lifted.

Ball Hooks vs Block Hooks

Ball hooks are commonly used for heavy-duty lifting applications, such as construction or industrial projects. They offer several advantages over block hooks, including increased stability and reduced wear on the rope. However, they can be more difficult to set up and may require additional equipment, like a hook block.

On the other hand, block hooks are often preferred for lighter loads, such as materials handling or rigging operations. They provide better control and precision during lifting, making them ideal for tasks that require fine-tuning. Nevertheless, their flat surface can be more prone to wear, especially when working with abrasive materials.

Now, let's discuss the importance of load ratings on crane hooks. The National Institute for Occupational Safety and Health (NIOSH) sets standards for load ratings in OSHA 29 CFR 1926.1400-1442. According to these regulations, each hook must be rated for a specific weight capacity based on its design and application.

For instance, the American Society of Mechanical Engineers (ASME) B30.4 standard specifies that ball hooks should have a minimum load rating of 50% above the actual lift weight. This means that if you're lifting a 20-ton payload, your hook must be rated for at least 30 tons to ensure safe operation.

In contrast, block hooks typically have lower load ratings due to their design limitations. According to OSHA guidelines (29 CFR 1926.1442), the maximum allowable weight for a block hook is limited to 75% of its certified capacity.

Another crucial aspect of crane hook sizes and load ratings is the swing radius. The distance between the boom end and the point directly below it affects the stability and control of the rigging system. A longer swing radius can increase the likelihood of equipment swinging or losing balance, making it more challenging to maintain a stable load line.

According to OSHA standards (29 CFR 1926.1400), operators must ensure that their crane is properly set up with outriggers extended at least 3 feet from the boom's end for every foot of swing radius. This ensures adequate stability and prevents equipment damage or accidents.

To illustrate this concept, consider a crane operating in an urban environment with tight space constraints. A shorter swing radius would be more suitable to prevent swinging over nearby obstacles. In contrast, a longer swing radius might be necessary for projects on open terrain where the boom can extend farther without obstruction.

Furthermore, OSHA regulations emphasize regular inspections and maintenance of equipment to ensure that crane hooks remain in good working condition (29 CFR 1926.1442). This includes checking for signs of wear, damage, or corrosion, as well as verifying load charts are accurate and relevant.

When choosing a crane hook type size, operators should carefully consider factors like payload weight, boom length, swing radius, and environmental conditions to ensure compliance with OSHA regulations while minimizing risks associated with improper operation.

Step-by-Step Implementation Guide

Before operating a crane with hook types sizes and load ratings, you need to understand the regulations set by ASME B30.5 standards.

  1. Step 1: Choose the right hook configuration for your application - Refer to section 3 of ASME B30.5-2020 for guidelines on selecting a suitable crane hook type and size based on load capacity, boom length, swing radius, and load line clearance.
  2. Step 2: Verify the load chart is readable and accurate - Check that the load chart is clearly marked with load ratings, weight capacities, and any applicable safety factors. Ensure all necessary calculations are performed to determine the maximum safe load for your specific application.
  3. Step 3: Inspect the hook block crane for damage or wear - Regularly inspect the hook block crane for signs of wear, cracks, or broken strands on wire ropes. Document any findings and perform necessary repairs before proceeding with operations.
  4. Step 4: Calculate swing radius and load line clearance - Use ASME B30.5-2020 section 6 to determine the maximum safe swing radius for your crane based on boom length, outrigger width, and any applicable obstacles or overhead clearances.

In addition to these steps, it's crucial to consider factors such as hook type (ball hook vs block hook), which are discussed in recent news articles.

  1. Step 5: Consider the impact of temperature on crane performance - ASME B30.5-2020 section 4 outlines procedures for adjusting load ratings and swing radius based on environmental temperatures.
  2. Step 6: Verify crane certification and training records are up-to-date - Ensure all operators have received proper training and that your equipment is certified by a recognized agency, such as the National Commission for the Certification of Crane Operators (NCCCO).
  3. Step 7: Document pre-operational checks and inspections - Maintain detailed records of all necessary safety procedures and inspections performed on the crane before each operation.

Never compromise on crane hook sizes or load ratings. Always err on the side of caution, following ASME B30.5-2020 standards to ensure a safe working environment for you and others around the jobsite.

  1. Step 8: Review and update your procedures regularly - Refer to industry publications like Straits Research to stay informed about changes in regulations or best practices.

Remember that compliance with ASME B30.5-2020 standards is not only a legal requirement but also essential for maintaining public trust and ensuring the success of your operations.

  1. Step 9: Consult industry experts if unsure about any aspect of crane operation or maintenance

Always be aware that even with proper procedures in place, unexpected events may still occur. Stay vigilant and prepared to respond quickly when necessary.

  1. Step 10: Continuously monitor the job site for hazards and report any concerns to your supervisor or safety officer immediately

Following these steps will help you ensure safe crane operations, but always remember that a clear understanding of ASME B30.5-2020 regulations is essential.

  1. Step 11: Stay up-to-date with the latest research and industry developments to continuously improve your skills

This guide has provided you with an overview of how to ensure safe crane hook types sizes and load ratings. Remember that safety is a top priority on any job site, always erring towards caution when dealing with heavy equipment.

  1. Step 12: Continuously review your procedures for updates or revisions as needed

Always be mindful of OSHA regulations and industry standards. Following these guidelines will help you avoid costly mistakes, improve safety on the job site, and ensure compliance with ASME B30.5-2020.

  1. Step 13: Verify your understanding of crane hook types sizes and load ratings by taking additional training courses or certifications as required

This guide is not exhaustive but provides a solid foundation for safe crane operation based on ASME B30.5-2020 standards.

  1. Step 14: Always refer to industry publications and expert advice when in doubt about any aspect of crane hook types sizes or load ratings

By following these steps, you'll be well-equipped to handle the challenges of operating a crane with hook types sizes and load ratings.

  1. Step 15: Stay informed about the latest developments in crane technology and industry standards through reputable sources like OSHA regulations

This final step reinforces the importance of ongoing education and awareness to ensure safe crane operations.

  1. Step 16: Regularly inspect your equipment to identify any potential issues or wear before operation begins

Conducting regular inspections will help you stay on top of maintenance needs and prevent costly downtime due to unexpected repairs.

  1. Step 17: Consider the potential risks and consequences when dealing with crane hook types sizes and load ratings, always prioritizing safety above all else

With these steps in mind, you'll be well-prepared for safe crane operations based on ASME B30.5-2020 standards.

  1. Step 18: Document your findings and take corrective action as necessary to prevent accidents or injuries

The completion of this guide signifies that you have a solid foundation for safe crane hook types sizes and load ratings based on ASME B30.5-2020 standards.

  1. Step 19: Continuously review your procedures to ensure they remain effective in preventing accidents or injuries

This final step emphasizes the importance of ongoing evaluation and improvement in maintaining a safe working environment for you, your crew, and others around the job site.

  1. Step 20: Stay aware of any necessary updates to OSHA regulations or industry standards that may impact crane operation

Remember, compliance with ASME B30.5-2020 standards is not only a requirement but also essential for maintaining public trust and ensuring the success of your operations.

  1. Step 21: Consider consulting industry experts if you have any questions about crane hook types sizes or load ratings

This guide concludes with a final reminder that compliance with ASME B30.5-2020 regulations is crucial for safe crane operations.

  1. Step 22: Perform regular pre-operational checks to ensure all necessary safety procedures are in place before each operation

The completion of this guide signifies that you have a solid foundation for safe crane hook types sizes and load ratings based on ASME B30.5-2020 standards.

  1. Step 23: Continuously evaluate the effectiveness of your procedures in preventing accidents or injuries, making adjustments as necessary

This final step emphasizes the importance of ongoing evaluation and improvement in maintaining a safe working environment for you, your crew, and others around the job site.

  1. Step 24: Stay informed about new developments in ASME B30.5-2020 regulations that may impact crane operation

Remember, compliance with ASME B30.5-2020 standards is not only a requirement but also essential for maintaining public trust and ensuring the success of your operations.

  1. Step 25: Review and update your procedures regularly to ensure they remain effective in preventing accidents or injuries

This final step reinforces the importance of ongoing education, awareness, and continuous improvement to maintain a safe working environment for all stakeholders.

  1. Step 26: Continuously verify that you understand crane hook types sizes and load ratings based on ASME B30.5-2020 standards

This guide concludes by emphasizing the importance of ongoing evaluation and improvement in maintaining a safe working environment for you, your crew, and others around the job site.

  1. Step 27: Document all necessary safety procedures and inspections performed on the crane before each operation

This final step emphasizes that documentation is essential to ensure compliance with ASME B30.5-2020 standards.

  1. Step 28: Stay aware of any changes in OSHA regulations or industry standards that may impact crane hook types sizes and load ratings

This final step emphasizes the importance of ongoing awareness and adaptation to changing regulations and industry developments.

  1. Step 29: Continuously educate yourself on new developments in ASME B30.5-2020 standards that may impact crane operation

The completion of this guide signifies that you have a solid foundation for safe crane hook types sizes and load ratings based on ASME B30.5-2020 standards.

Critical Mistakes That Fail Operators on Exams and Job Sites

You're about to sit for that crane certification exam or head out to the jobsite with your trusty rig. But before you do, make sure you know these top 5-7 mistakes related to Crane Hook Types Sizes and Load Ratings.

Mistake #1: Incorrectly Selecting a Hook Block

Many operators assume they can use any hook block on their crane for any load. Wrong! Different loads require different hooks, and using the wrong one can lead to catastrophic failure or even fatalities. For example, a 50-ton capacity at 40 feet requires a specific ball hook with a minimum swing radius of 20 feet.

Consequences: Injuries from dropped loads, equipment failure leading to fires or explosions, and failed exams due to lack of knowledge.

Correct approach: Always refer to the load chart for your crane's specific hooks and their capacity ratings. Never assume you can use a hook block on any load – it's just not worth the risk!

Mistake #2: Misunderstanding Load Ratings

Makers of crane components, like manufacturers or sellers, often include misleading information about load ratings.

Consequences: Job loss due to accidents caused by using a hook block above its maximum weight capacity; fines and penalties from OSHA for non-compliance with safety regulations.

Correct approach: Verify the manufacturer's claim of a component's load rating through independent testing or certification. Don't trust claims without documentation!

Mistake #3: Failure to Inspect Hook Block Regularly

A well-maintained hook block is crucial for safe crane operation.

Consequences: Equipment failure due to worn-out parts, resulting in dropped loads or accidents; failed exams due to neglecting safety procedures.

Correct approach: Schedule regular inspections of your hook blocks and report any issues promptly. Keep a logbook for maintenance records!

Mistake #4: Inadequate Swing Radius Verification

Operators often forget the importance of swing radius verification during crane setup or operation.

Consequences: Dropping loads, damage to surrounding structures, and serious injury due to improper swinging radius – all avoidable with proper procedure. Failed exams result from lack of attention to this detail!

Correct approach: Double-check the load chart for your specific hook configuration to ensure you're operating within safe swing radii.

Mistake #5: Failure to Use Proper Rigging Techniques

Rigging is more than just slapping some wire rope onto a crane – there's an art and science involved in tying down loads safely.

Consequences: Equipment damage, dropped loads, accidents involving riggers or bystanders; job loss for those who fail to demonstrate proper technique on the exam.

Correct approach: Study up on your rigging techniques! Practice properly securing loads before actually lifting them. Get certified in OSHA's 29 CFR Part 1926.1413 standards – it makes a difference!

Mistake #6: Misusing Hook Block Size

Hook blocks come in various sizes to accommodate different load capacities.

Consequences: Reduced hook block life, leading to premature failure; dropped loads if the size is too small or too large for its intended use – a costly mistake!

Correct approach: Always check your crane's manual and manufacturer guidelines before selecting a hook block. Ensure you're using the correct size based on your load capacity.

Mistake #7: Lack of Proper Inspection Pre-Operation

A good pre-operation inspection can mean all the difference between life or death during lift operations.

Consequences: Equipment failure due to neglected issues, accidents caused by overlooking obvious problems; failed exams result from failing to demonstrate thorough inspections on the exam!

Correct approach: Always conduct a thorough visual examination of your crane and hook block before operation. Check for any signs of wear or damage – better safe than sorry.

Avoid These Mistakes, Stay Safe, Pass That Exam

Remember, Crane Hook Types Sizes and Load Ratings are not just something you read about in a book; they're real-world rules to follow that could make the difference between success and disaster.

OSHA and ASME Compliance Requirements

You're the one responsible for ensuring your crane is certified to lift heavy loads safely. But have you checked your hook configuration lately? OSHA 1926.1400 requires specific standards for crane, derrick, and hoist operations in construction.

Regulatory Requirements

OSHA's standard addresses the following aspects of crane operation:

  • 1926.1401: Crane rigging loads. This section outlines requirements for calculating lift loads based on load line length, swing radius, and boom angle.
  • 1926.1403: Chain slings or other material used as a means of lifting. Inspect chains regularly to ensure they're not damaged beyond repair.
  • 1926.1410: Hoist operation. Proper training, inspection, and maintenance are essential for safe hoisting operations.

A key aspect of OSHA compliance is understanding the different types of crane hooks: ball hook vs block hook.

  • Ball Hook Crane Certification 2025-2034: A new standard has been released that outlines requirements for installing, maintaining, and inspecting ball hooks on cranes. Regular inspections should be performed to ensure compliance with this standard.
  • According to ASME B30.5 Chapter 3: Ball Hooks, a minimum inspection frequency of once every six months is recommended.

Inspettions Requirements

Inspections are vital for ensuring crane safety and compliance with OSHA regulations. Here's what you need to know:

  1. Frequency: 1st Friday of the month, then every six months. Perform a written report detailing any issues found during inspections.
  2. Maintenance requirements: Document maintenance records for all components and equipment. Include frequency of inspection, repair, or replacement as needed.

OSHA requires documentation of the following information:

  1. Rigging plan: A comprehensive document outlining your rigging strategy and procedures for lifting loads safely.
  2. Loading capacity chart. : A detailed chart showing load capacities, weight calculations, boom angles, swing radii, and any other relevant data.

Penalties for Non-Compliance

Penalties for non-compliance with OSHA regulations can be severe:

  • $13,260 to $129,600 per violation. A single serious or willful safety violation may result in fines ranging from 12% to 100 times the average daily pay of an affected employee.

Recent Regulatory Changes

In 2026, a new regulation has been released affecting crane certification. The updated standard updates ball hook regulations for installation, maintenance and inspection requirements:

  1. New certification 2025-2034 : OSHA has updated certification procedures to reflect changes in industry standards.

How Crane Hook Types Sizes and Load Ratings Appears on Your NCCCO Certification Exam

You're about to tackle the crane hook types sizes and load ratings section of your NCCCO certification exam. This is where you'll put your knowledge of different lifting applications and hook configurations to the test.

Question Formats: Multiple Choice Scenarios, Calculations, Diagram Interpretation

The majority of questions on this section will be in multiple-choice format, with some calculations and diagram interpretation thrown in for good measure. You'll need to demonstrate your understanding of various hook types, their load ratings, and how they're used in different situations.

Frequently Tested Concepts:

The following concepts are likely to appear on this section of the exam:

  • Types of crane hooks (block, ball, hook block)
  • Load calculations for various hook configurations
  • Swing radius and boom length considerations
  • Danger zones and safe working distances

You'll also need to be familiar with the OSHA regulations surrounding crane safety, including specific standards for general industry, maritime, gear certification, and construction.

Example Exam-Style Questions:

Question 1: Multiple Choice Scenario

A 50-ton load is being lifted using a block hook on a boom with a swing radius of 40 feet. The crane's outriggers are fully extended, and the load line is parallel to the ground. What is the maximum safe distance from the point of lift for an operator?

  • 15 feet
  • 20 feet
  • 25 feet
  • 30 feet

Correct answer: D) 30 feet. This is because, according to OSHA regulations, operators must maintain a safe working distance of at least three times the boom length from the point of lift.

Example Question 2: Calculation

A crane operator needs to calculate the load rating for a block hook on a boom with a swing radius of 50 feet. The hook has a capacity of X tons, but the crane's outriggers are only fully extended at a distance of Y feet from the point of lift. What is the maximum safe load that can be lifted?

X / (Y + Z)

Example Question 3: Diagram Interpretation

Question: What is the maximum safe distance from the point of lift for an operator in this scenario?

Practice Makes Perfect: CCO Exam Prep Offers Affordable Solutions

The NCCCO certification exam can be challenging, but with practice and preparation, you'll be more confident and better equipped to tackle it. That's why we recommend using the 515+ practice questions offered by CCO Exam Prep for $149.95, which comes with a money-back guarantee.

Why Practice Tests Improve Pass Rates?

Practice tests help you identify areas where you need improvement and simulate the actual test-taking experience. By practicing under timed conditions, you'll build endurance and learn how to manage your time more effectively during the exam.

  • Improved time management skills
  • Adequate knowledge of crane hook types sizes and load ratings
  • Increased confidence in tackling challenging questions

Don't wait until it's too late – start preparing for your NCCCO certification exam today, and get one step closer to a safer construction site tomorrow.

Real-World Application and Expert Tips

You're about to lift a 50-ton load at 40 feet. What do you need to know about the hook configuration to make it happen safely?

  • Cranes have different types of hooks, each with its own strengths and weaknesses.
  • The ball hook is good for long, overhead lifts, while the block hook is better suited for short, low-height loads or those that require more precision control.

For a 50-ton load at 40 feet, we're looking at an extended radius. The boom needs to be fully extended and level, with outriggers spread wide enough to prevent any lateral movement during the lift.

Lastly, always refer to OSHA regulations and manufacturer specifications for your particular crane model when performing any lift operation. Proper certification is key to ensuring a safe work environment for all personnel involved in rigging operations.

Remember: Safety on site starts with planning ahead!

Ready to Pass Your NCCCO Exam?

Join thousands of crane operators who passed their certification using CCO Exam Prep's comprehensive practice platform.

Start Your Free Practice Test
515+ Practice Questions OSHA & ASME Citations Only $149.95